您好,歡迎光臨天津博奧億美電子科技有限公司官網!
電話:13602179178 | 傳真:022-27368318 設為首頁 | 加入收藏 | 聯系我們
地址:天津市南開區向陽路66號三樓郵箱:768198355@qq.com手機:13602179178
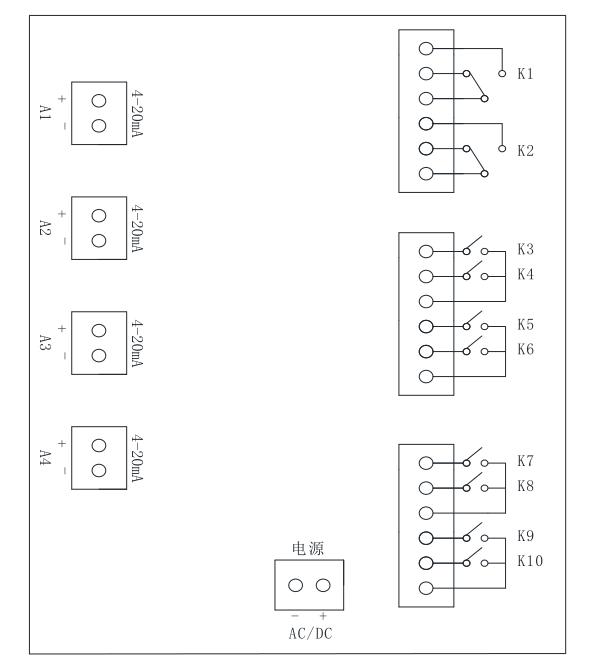
功能描述:10個繼電器輸出,4路模擬量輸出(0-20mA,4-20mA等)
輸出繼電器:14個點動控制繼電器,4路模擬量輸出(0-20mA,4-20mA等)
工作電壓:□DC12V □DC24V □AC12V
天 線:□天線桿 □橡膠天線 □連接線
觸點負載能力:5A/250VAC,5A/30VDC
調制方式:FSK
工作頻率:430-434MHz
地址編碼:十億個
外形尺寸:135×200×60mm
使用環境溫度:-20℃~+50℃
地址:天津市南開區向陽路66號三樓
郵箱:768198355@qq.com
手機:13602179178
13602179178
版權所有:@2018天津博奧億美電子科技有限公司 技術支持:企商科技 備案號:津ICP備19010382號-1